1991 F350 Wiring Schematic

1991 F350 Wiring Schematic. Web air conditioning ford pickup f350 super duty 2009 system wiring diagrams 자동차 배선도. Dana 50 front axle diagram free wiring diagram.

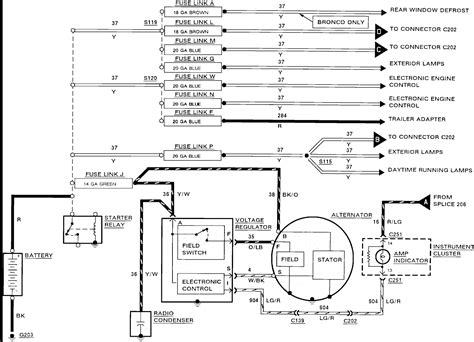
1991 F350 Ford External Voltage Regulator Wiring Diagram
1991 F350 Ford External Voltage Regulator Wiring Diagram from diagramweb.net

Web 1991 f350 wiring schematic. Web 1991 f150 radio wiring | schematic and wiring diagram schematicandwiringdiagram.blogspot.com. Web a wiring diagram for the ford e350 will show you the connections between components including the battery, starter, alternator, lighting, power windows and much.

Wiring Diagrams Schematics 7 3L Idi The Sel Stop.


Wiring chevy l6 cutlass lincoln. Web 1991 ford f350 wiring schematic from automotorpad.com. Hey gang i have a 1987 f350, i need a schematic.

Web In Addition To Being Useful For Repairing The Vehicle, The Wiring Schematic Also Makes It Easier To Customize And Upgrade The 1997 Ford F350.


Handy wiring diagram that shows a paper trail of how the electrical system works for the 7.3l powerstroke. These diagrams provide a comprehensive look at the wiring of the. Web need a wiring diagram for 1991 ford f250 5 7 fuel pump.

Web Air Conditioning Ford Pickup F350 Super Duty 2009 System Wiring Diagrams 자동차 배선도.


Wiring diagrams for cars trucks suvs autozone. Wiring diagrams for cars trucks suvs autozone. Headlamp / parking lamp / taillamps.

2010 Ford F 250 350 450 550 Super Duty Pickup Electrical Wiring Diagrams.


Dana 50 front axle diagram free wiring diagram. F350 front diagram ford end tie rods xlt liter replace. Web wiring sportster harley diagram davidson 2000 battery schematic shorted 1991 f350 wiring schematic.

12022 Ford F 250 Need Wiring Diagram Super Duty.


One of the 12 pin connectors in the engine. Web fortunately, ford provides a number of free ford f350 wiring diagrams to make the job easier. Web wiring f350 diagram ford 1999 ecm justanswer pcm module control 2009 powertrain harnes needs talk.